知識庫
General Info
Conditions to Influence Speed & Feed Rate
Factors to affect RPM and Feed
- Rigidity of Machine Spindle
- Max. RPM of Machine Spindle
- Max. RPM of Machine under the circumstance of best dynamic balance
- Capability of pre-read program on Controller
- Max. feed of Machine
- Accuracy of Collet Chuck & Collet
- Rigidity of Collet Chuck & Collet
- Chucking strength of Collet Chuck & Collet
- Dynamic balance of Collet Chuck & Collet
- Type of End Mill
- Material of End Mill
- Rigidity of End Mill
- Overhang length of End Mill protruding from Collet Chuck
- Cutting method of End Mill
- Cutting path of End Mill
- Cutting parameter(depth) of End Mill
- Chip removal capability of End Mill
- Hardness of Workpiece
- ensile strength of Workpiece
- Machinability of Workpiece
- Rigidity of Workpiece
- Rigidity of Clamping Device and Fixture
- Type of Coolant
- Supply way of Coolant
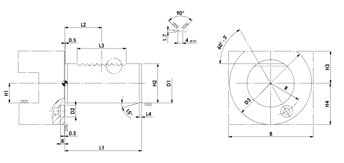
Tool Holder
VDI System - VDI Standard – DIN69880
DIN69880
Unit: mm
| D1 h6 |
D2 | D3 | H1 max |
H2 ±0.05 |
H3 min |
R ±0.02 |
L1 max |
L2 ±0.05 |
L3 max |
L4 max |
| 20 | 10 | 50 | 16 | 18 | 25 | 18 | 40 | 21.7 | 24 | 2 |
| 25 | 10 | 58 | 16 | 23.5 | 25 | 21 | 48 | 21.7 | 24 | 2 |
| 30 | 14 | 68 | 20 | 27 | 28 | 25 | 55 | 29.7 | 40 | 2 |
| 40 | 14 | 83 | 25 | 36 | 32.5 | 32 | 63 | 29.7 | 40 | 3 |
| 50 | 16 | 98 | 32 | 45 | 35 | 37 | 78 | 35.7 | 48 | 3 |
| 60 | 16 | 123 | 32 | 55 | 42.5 | 48 | 94 | 43.7 | 56 | 4 |
Vise
how to solve oil leaking issue
A. How to know whether it is oil-leaking:
- Pull out the sliding stock from vise body before using the vise and under no hydraulic pressure.
- Check whether it has a gap 1-3 mm or not.

B. How to solve oil-leaking issue:
- Please take out two screws and washes (No. 1).
- Take out whole set of oil filler bolt (No. 2).
- Pull out whole set of cylinder kit (No. 3).
- Use magnifier to check whether oil seals are broken or not.
- Use naphtha to clean the hole 41 mm (No. 4) where cylinder kit can put in, and then dry it by compressed air.
- Even spread grease on the cylinder kit, and then put it in the hole 41 mm.
- Keep a gap 2-4 mm and slant the sliding stock a little bit, then fill oil in.
- Shake sliding stock lightly to let air come out from oil hole. Please ensure there is no air inside the oil hole.
- Screw whole set of oil filler bolt (No. 2), and then screw two screws and washes (No. 1) tight.
- The last step is to install spindle, fix tube nut, and the vise body. After installation, please check its clamping force again.

HWB-Operation
HWA-Operation
power vise- Operation









